Features
1. Main Body
The automatic centerless grinding machine main body and structural components are cast in a single piece using high-grade FC-30 cast iron. Following heat treatment, the components undergo a natural aging process. Machining of these components is performed using world-class equipment-including YASDA, MITSUI SEIKI, TOSHIBA, and ELB-executed in a single clamping setup. Dimensional precision reaches the micron level, thereby ensuring the high accuracy of the equipment's foundational components.
2. Spindle System
Constructed from SNCM-21H alloy steel, the spindle undergoes quenching and tempering, followed by carburizing heat treatment, and finally, a computer-controlled deep cryogenic treatment. This process results in a surface hardness exceeding HRC 62° and an effective hardened layer of over 1.5 mm on each side. The spindle itself utilizes a hydrodynamic oil-film bearing system.
3. Regulating Wheel Drive System
The regulating wheel spindle is driven by a Taiwan Delta variable-speed motor (stepless control). The RD-18S speed control system allows for a speed range of 0–250 rpm (digitally controlled), enabling the operator to freely set the speed to achieve the optimal linear velocity. This ensures that the linear velocity remains constant even as the outer diameter of the regulating wheel changes, thereby facilitating the production of superior-quality workpieces.
A servo motor is ingeniously mounted directly onto the regulating wheel housing and drives the wheel via a synchronous belt. This design allows the motor to tilt simultaneously with the regulating wheel during the grinding process, guaranteeing that the two pulleys remain perfectly parallel at all times. This configuration effectively overcomes the inertia losses and various adverse effects-such as angular misalignment-typically associated with the multi-link chain drive systems found in older-model centerless grinding machines. Furthermore, it eliminates the need for frequent replacement of chains and chain tension springs.
4. Spindle Circulating Oil System
The automatic circulating oil lubrication for the spindle (utilizing high-grade Spindle Oil #10) shares a single oil pump with the hydraulic dressing device. It features an externally mounted oil tank, facilitating easy cleaning and oil changes. The spindle's circulating oil passes through two filtration units and is monitored by a pressure controller, thereby ensuring the longevity of the spindle. Cooling is managed by a dual-circuit cooling system, which guarantees a constant temperature for the spindle oil.
5. Electrical System
The electrical circuitry for the entire automatic centerless grinding machine utilizes a Schneider Electric system, characterized by its aesthetic appeal, durability, and excellent operational performance. The electrical cabinet has been enlarged and heightened; while this enhances operational convenience, it also significantly improves heat dissipation for the electrical system.
Technical Parameters
|
Item |
RD-18S |
|
Part diameter (in standard worktable) |
Ø1 ~ Ø60 mm |
|
Grinding wheel sizes (OD×W×ID) |
Φ455*205*Φ228.6 mm |
|
Regulating wheel sizes (OD×W×ID) |
Φ255*205*Φ111.2 mm |
|
Grinding wheel rotary speed |
1500 RPM |
|
Regulating wheel rotary speed |
0~250 RPM |
|
Grinding wheel driving motor |
11KW (15 HP) |
|
Regulating wheel driving motor |
3KW (4HP) servo motor |
|
Hydraulic pump driving motor |
1.5KW (2HP) |
|
Cooling pump driving motor |
1/4 HP (0.2 KW) |
|
Regulating wheel feeding (up) by hand-wheel |
3.5mm/rev., 0.05mm/sca. |
|
Regulating wheel fine feeding (up) by hand-wheel |
0.1mm/rev., 0.001mm/sca. |
|
Worktable feeding (down) by hand-wheel |
9mm/rev., 0.10mm/sca. |
|
Worktable fine feeding (down) by hand-wheel |
0.2mm/rev., 0.001mm/sca. |
|
Grinding wheel dresser feeding by hand-wheel |
2mm/rev., 0.01mm/sca. |
|
Regulating wheel tilting angle (horizontal) |
+6°~-5° |
|
Regulating wheel return angle (vertical) |
±6° |
|
Machine sizes (L×W×H) |
2350×1960×1550mm |
|
Packing sizes (L×W×H) |
2900×2400×1850mm |
|
Machine weight |
3000 kg |

|
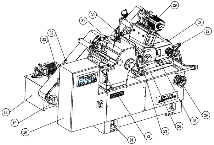
Grinding wheel dresser holder: hold the dresser Dresser quick-return lever: used to avoid damage to the grinding wheel in case of urgent situation Grinding wheel: grind the part Blade: support the part during grinding Screw of regulating wheel (vertical adjustment): one in each side. Used to fasten the regulating wheel to the wheel holder Screw of regulating wheel : one in each side. Used to adjust the angle of the regulating wheel (horizontal adjustment) Feeding lever for stop-type grinding: used for stop-type grinding Lubricating injector: contain the lubricant and inject it into the sliding plate,bearing and screws Worktable feeding hand-wheel: adjust the distance between the blade and the wheels Worktable fine adjustment fix lever: fixed to activate the fine feeding function Regulating wheel feeding hand-wheel: adjust the distance between the blade and the wheels Grinding liquid reservoir: contain the grinding liquid Regulating wheel dresser holder: holder the wheel dresser Regulating wheel dresser quick-return lever: used to avoid damage to the regulating wheel in case of urgent situation Regulating wheel dresser adjustment oil cylinder switch: control the direction and speed of oil cylinder which move the dresser. Regulating wheel fine adjustment fix knob: fixed to activate the fine feeding function Regulating wheel rotary angle adjustment knob: adjust the tilting angle of regulating wheel horizontally |

|
Oil reservoir: contain the oil Grinding wheel driving motor: drive the grinding wheel Electrical cabinet: hold the electrical components and wires Machine leveling bolt: adjust the leveling of machine Grinding wheel dresser oil cylinder switch: control the direction and speed of grinding wheel dresser Blade holder: hold the supporting blade Worktable: fix the blade holder Up sliding plate: adjust the up horizontal feeding and tilting Worktable fine feeding adjustment hand-wheel: fine adjust the distance between the blade and the wheels Regulating wheel holder: hold the regulating wheel base and up feeding device Regulating wheel fine feeding adjustment hand-wheel: fine adjust the distance between the blade and the wheel Regulating wheel driving motor: drive the regulating wheel Regulating wheel: control the feeding and speed Watch windows: from here observe the lubricating status of grinding wheel Liquid cooling device: decrease the hydraulic liquid temperature Liquid pump driving motor: drive the oil supply of wheel spindle and wheel dresser |







Hot Tags: automatic centerless grinding machine, China automatic centerless grinding machine manufacturers, factory
